CAD (0)
▾
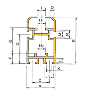
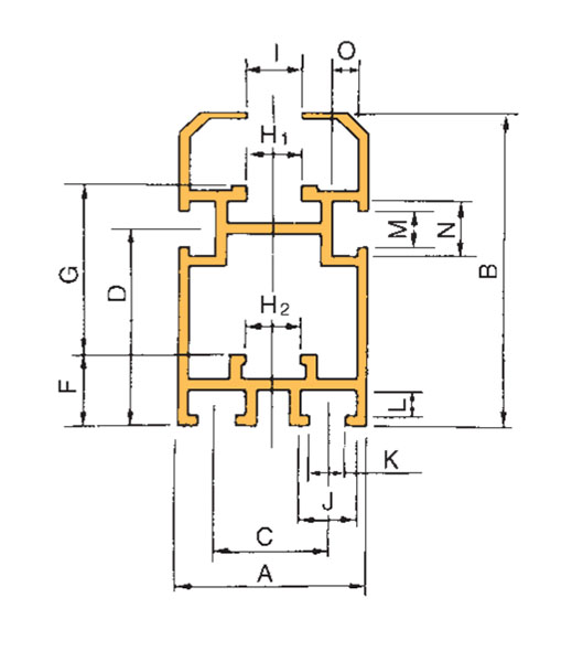
Riel guía DOUBLE PLUS® de aluminio
Rieles guía Double Plus
Insertos de riel de acero o estándar (para DOUBLE PLUS "VR," "VRP," "VR-SC" y "VRP-SC").
El riel de acero se fija al marco con pernos.
El riel de acero se fija al marco con pernos.
N.º de artículo |
A |
B |
C |
D |
F |
G |
|---|---|---|---|---|---|---|
| C2030VRP-R3L | A N/D 1.380 in | B N/D 2.360 in | C N/D 0.807 in | D N/D 1.494 in | F N/D 0.550 in | G N/D 1.268 in |
| C2030VRP-R3LS | A N/D 1.380 in | B N/D 2.360 in | C N/D 0.807 in | D N/D 1.494 in | F N/D 0.550 in | G N/D 1.268 in |
| C2040VRP-R4L | A N/D 2.480 in | B N/D 2.600 in | C N/D 1.752 in | D N/D 1.388 in | F N/D 0.510 in | G N/D 1.374 in |
| C2040VRP-R4LS | A N/D 2.480 in | B N/D 2.600 in | C N/D 1.752 in | D N/D 1.388 in | F N/D 0.510 in | G N/D 1.374 in |
| C2050VRP-R4L | A N/D 3.070 in | B N/D 3.150 in | C N/D 2.185 in | D N/D 1.644 in | F N/D 0.590 in | G N/D 1.693 in |
| C2050VRP-R4LS | A N/D 3.070 in | B N/D 3.150 in | C N/D 2.185 in | D N/D 1.644 in | F N/D 0.590 in | G N/D 1.693 in |
| C2050VRP-R3HS | A N/D 3.150 in | B N/D 5.510 in | C N/D 2.260 in | D N/D 4.010 in | F N/D 0.590 in | G N/D 4.060 in |
| C2060VRP-R4L | A N/D 3.740 in | B N/D 3.580 in | C N/D 2.854 in | D N/D 2.018 in | F N/D 0.590 in | G N/D 1.988 in |
| C2060VRP-R4LS | A N/D 3.740 in | B N/D 3.580 in | C N/D 2.854 in | D N/D 2.018 in | F N/D 0.590 in | G N/D 1.988 in |
| C2080VRP-R3LS | A N/D 3.940 in | B N/D 4.920 in | C N/D 2.760 in | D N/D 3.150 in | F N/D 0.940 in | G N/D 2.680 in |

