CAD (0)
▾
Para enviar su información a Tsubaki, oprima este botón
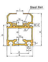
Standard and Steel Rail Inserts (For DOUBLE PLUS "VR," "VRP," "VR-SC," & "VRP-SC").
The steel rail is fixed to the frame with bolts.
The steel rail is fixed to the frame with bolts.
Unidad de medida
A |
N/D 3.940 in |
B |
N/D 4.920 in |
C |
N/D 2.760 in |
D |
N/D 3.150 in |
E |
N/D 0.470 in |
F |
N/D 0.940 in |
G |
N/D 2.680 in |
H1 |
N/D 0.910 in |
H2 |
N/D 0.910 in |
I |
N/D 0.980 in |
J |
N/D 0.689 in |
K |
N/D 0.413 in |
L |
N/D 0.350 in |
M |
N/D 0.335 in |
N |
N/D 0.531 in |
O |
N/D 0.295 in |
Longitud estándar |
N/D 9.840 ft |