CAD (0)
▾
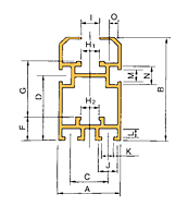
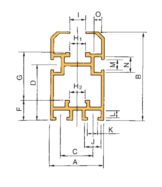
Trilho guia de alumínio DOUBLE PLUS®
Trilhos guia Double Plus
Insertos de trilho padrão e de aço (para DOUBLE PLUS "VR", "VRP", "VR-SC", e "VRP-SC").
O trilho de aço é fixado à estrutura com parafusos.
O trilho de aço é fixado à estrutura com parafusos.
Nº. do item |
A |
B |
C |
D |
F |
G |
|---|---|---|---|---|---|---|
| C2030VRP-R3L | A N/A 1.380 pol. | B N/A 2.360 pol. | C N/A 0.807 pol. | D N/A 1.494 pol. | F N/A 0.550 pol. | G N/A 1.268 pol. |
| C2030VRP-R3LS | A N/A 1.380 pol. | B N/A 2.360 pol. | C N/A 0.807 pol. | D N/A 1.494 pol. | F N/A 0.550 pol. | G N/A 1.268 pol. |
| C2040VRP-R4L | A N/A 2.480 pol. | B N/A 2.600 pol. | C N/A 1.752 pol. | D N/A 1.388 pol. | F N/A 0.510 pol. | G N/A 1.374 pol. |
| C2040VRP-R4LS | A N/A 2.480 pol. | B N/A 2.600 pol. | C N/A 1.752 pol. | D N/A 1.388 pol. | F N/A 0.510 pol. | G N/A 1.374 pol. |
| C2050VRP-R4L | A N/A 3.070 pol. | B N/A 3.150 pol. | C N/A 2.185 pol. | D N/A 1.644 pol. | F N/A 0.590 pol. | G N/A 1.693 pol. |
| C2050VRP-R4LS | A N/A 3.070 pol. | B N/A 3.150 pol. | C N/A 2.185 pol. | D N/A 1.644 pol. | F N/A 0.590 pol. | G N/A 1.693 pol. |
| C2050VRP-R3HS | A N/A 3.150 pol. | B N/A 5.510 pol. | C N/A 2.260 pol. | D N/A 4.010 pol. | F N/A 0.590 pol. | G N/A 4.060 pol. |
| C2060VRP-R4L | A N/A 3.740 pol. | B N/A 3.580 pol. | C N/A 2.854 pol. | D N/A 2.018 pol. | F N/A 0.590 pol. | G N/A 1.988 pol. |
| C2060VRP-R4LS | A N/A 3.740 pol. | B N/A 3.580 pol. | C N/A 2.854 pol. | D N/A 2.018 pol. | F N/A 0.590 pol. | G N/A 1.988 pol. |
| C2080VRP-R3LS | A N/A 3.940 pol. | B N/A 4.920 pol. | C N/A 2.760 pol. | D N/A 3.150 pol. | F N/A 0.940 pol. | G N/A 2.680 pol. |

