CAD (0)
▾
Para enviar su información a Tsubaki, oprima este botón
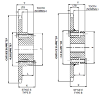
N.º 40, estilo B, buje QD
Todas las dimensiones son valores nominales y solo deben tomarse como referencia
Todas las dimensiones son valores nominales y solo deben tomarse como referencia
Unidad de medida
Especificaciones
Diámetro del cubo |
N/D 3.188 in |
LTB |
N/D 0.750 in |
Estilo |
N/D B |
Cant. de dientes |
N/D 45 |
Diámetro exterior |
N/D 7.450 in |
Diámetro del paso |
N/D 7.168 in |
Diámetro del calibre |
N/D 6.851 in |
Diámetro interior máx. |
N/D 2.000 in |
Peso |
N/D 3.320 lb |
Ancho nominal del diente |
N/D 0.284 in |
Código universal de producto (UPC) |
N/D 097039379009 |