CAD (0)
                    
                    ▾
                
                
            
        Para enviar su información a Tsubaki, oprima este botón
    
		
                    Unidad de medida
                    
               
        
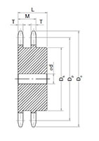
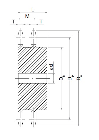
            | Cantidad de dientes | N/D 8 | 
| Dp - Pitch Diameter | N/D 1.634 in | 
| Do - Outside Diameter | N/D 1.886 in | 
| d - Plane Bore | N/D 0.472 in | 
| Max. Plain Bore1 | N/D 0.630 in | 
| Paso | N/D 5/8 in | 
| Diámetro del calibre | N/D 1.232 in | 
| Dr - Roller Diameter | N/D 0.4 in | 
| Inside Width | N/D 0.38 in | 
| Style | N/D S | 
| L | N/D 1.772 in | 
| Longitud a través del diámetro interior (length through bore, LTB) | N/D 0.984 in | 
| Nominal Tooth Width | N/D 0.361 in | 
| T - Plate Thickness | N/D 1.004 in | 
| Dh - Hub Diameter2 | N/D 0.866 in | 
| Wt. LBS | N/D 0.20 lb | 
- 1 Dimensions shown allow for std keyway with set screw at 90°
- 2 Hub Diameter may vary to suit bore size
 
               
               
              