CAD (0)
▾
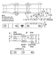
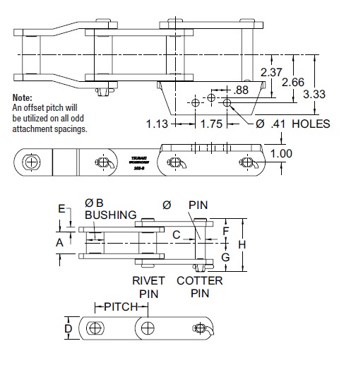
Cadena 102B - Aditamentos A1/A2
Cadena 102B
Excelente para condiciones de trabajo extremas, es especial con grava o partículas abrasivas.
Utiliza aceros de calidad superior en toda su extensión y tratamientos térmicos patentados y controlados con precisión.
Mejoras disponibles: Resistencia a la corrosión, Titan XL, SJ2 Tecnología de sellado
</>
PASADORES
BARRAS LATERALES
APLICACIONES TÍPICAS
Manipulación de material a granel
INDUSTRIAS HABITUALES
MINERALES INDUSTRIALES
MINERÍA
CEMENTO
GRANOS
FERTILIZANTES
PROCESAMIENTO DE AZÚCAR
Utiliza aceros de calidad superior en toda su extensión y tratamientos térmicos patentados y controlados con precisión.
Mejoras disponibles: Resistencia a la corrosión, Titan XL, SJ2 Tecnología de sellado
</>
PASADORES
- Aleación o acero al carbono de calidad superior.
- Con tratamiento térmico para ofrecer una resistencia y dureza superior.
- Centro templado para ofrecer una resistencia superior al impacto.
- Superficie cementada o templada por inducción para ofrecer una mayor resistencia al desgaste.
- Fabricado con precisión para mantener un ajuste de alta interferencia con las barras laterales.
- Evita la rotación de los pasadores y el desgaste posterior de las barras laterales.
- Aleación o acero al carbono de calidad superior.
- Con tratamiento térmico para ofrecer una resistencia superior.
- Centro templado para ofrecer dureza y resistencia al impacto.
- Superficie cementada para ofrecer una resistencia al desgaste superior o extendida.
- Maquinados con precisión para mantener las superficies de apoyo lisas y un ajuste de alta interferencia con las barras laterales.
- Las tensiones residuales favorables resisten la fatiga y permiten lograr una mayor vida útil.
BARRAS LATERALES
- Aleación o acero al carbono de calidad superior.
- Con proceso de cementado para ofrecer mayor solidez, dureza y resistencia a la fatiga.
- Los procesos de fabricación patentados garantizan una calidad uniforme en los orificios y un control preciso del paso.
- Las tensiones residuales favorables resisten la fatiga y permiten lograr una mayor vida útil.
APLICACIONES TÍPICAS
Manipulación de material a granel
- Elevadores de cangilones
- Alimentadoras
- Transportadoras de arrastre
INDUSTRIAS HABITUALES
MINERALES INDUSTRIALES
MINERÍA
CEMENTO
GRANOS
FERTILIZANTES
PROCESAMIENTO DE AZÚCAR
N.º de artículo |
Marca |
Tipo de pasador |
Separación entre aditamentos |
Paso |
Carga operativa máx. |
Peso |
Pasos por pie |
|---|---|---|---|---|---|---|---|
| 26743 | Marca N/D Tsubaki | Tipo de pasador N/D Con chaveta | Separación entre aditamentos N/D 2L | Paso N/D 4.000 in | Carga operativa máx. N/D 6300 lb | Peso N/D 8.00 lbs/ft | Pasos por pie N/D 3.00 in |
| 26674 | Marca N/D Tsubaki | Tipo de pasador N/D Con chaveta | Separación entre aditamentos N/D 3L | Paso N/D 4.000 in | Carga operativa máx. N/D 6300 lb | Peso N/D 8.00 lbs/ft | Pasos por pie N/D 3.00 in |
| 26744 | Marca N/D Tsubaki | Tipo de pasador N/D Con chaveta | Separación entre aditamentos N/D 4L | Paso N/D 4.000 in | Carga operativa máx. N/D 6300 lb | Peso N/D 8.00 lbs/ft | Pasos por pie N/D 3.00 in |
| 26675 | Marca N/D Tsubaki | Tipo de pasador N/D Con chaveta | Separación entre aditamentos N/D 5L | Paso N/D 4.000 in | Carga operativa máx. N/D 6300 lb | Peso N/D 8.00 lbs/ft | Pasos por pie N/D 3.00 in |
| 26702 | Marca N/D Titan XL de Tsubaki | Tipo de pasador N/D Con chaveta | Separación entre aditamentos N/D 2L | Paso N/D 4.000 in | Carga operativa máx. N/D 6300 lb | Peso N/D 8.00 lbs/ft | Pasos por pie N/D 3.00 in |
| 26703 | Marca N/D Titan XL de Tsubaki | Tipo de pasador N/D Con chaveta | Separación entre aditamentos N/D 3L | Paso N/D 4.000 in | Carga operativa máx. N/D 6300 lb | Peso N/D 8.00 lbs/ft | Pasos por pie N/D 3.00 in |
| 26704 | Marca N/D Titan XL de Tsubaki | Tipo de pasador N/D Con chaveta | Separación entre aditamentos N/D 4L | Paso N/D 4.000 in | Carga operativa máx. N/D 6300 lb | Peso N/D 8.00 lbs/ft | Pasos por pie N/D 3.00 in |
| 26705 | Marca N/D Titan XL de Tsubaki | Tipo de pasador N/D Con chaveta | Separación entre aditamentos N/D 5L | Paso N/D 4.000 in | Carga operativa máx. N/D 6300 lb | Peso N/D 8.00 lbs/ft | Pasos por pie N/D 3.00 in |

