CAD (0)
                    
                    ▾
                
                
            
        Para enviar su información a Tsubaki, oprima este botón
    
		
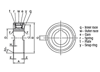
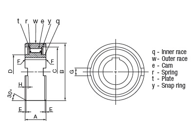
            TFS Series Cam Clutch is a sprag type clutch designed for press fit installation. Sprag type designs typically have a higher torque capacity than a similarly sized ramp & roller type clutch. TFS has two vertical keyways on the outer race to assist with locating. Outside dimensions are the same as Series 63 ball bearings. This design is ideal for general inner or outer race overrunning applications. Since the TFS Series does not include an integral bearing, installing the TFS Cam Clutch next to a bearing which handles both the axial and radial loads is the typical application.
        
                    Unidad de medida
                    
               
        
            Especificaciones
| Código universal de producto (UPC) | N/D 097039257659 | 
| Tamaño de diámetro interior | N/D 0.984 in25.00 mm | 
| Capacidad de torque | N/D 94.4 lb·ft128.0 N·m | 
| Sobremarcha máx. del anillo interior | N/D 2000 r. p. m. | 
| Sobremarcha máx. del anillo exterior | N/D 1000 r. p. m. | 
| Torque de arrastre | N/D 0.140 lb·ft0.19 N·m | 
| Chavetero | N/D 8 mm × 2,0 mm | 
| A (Ancho total) | N/D 0.945 in24.00 mm | 
| B (Diámetro total) | N/D 2.441 in62.00 mm | 
| C (Diámetro interior del anillo exterior) | N/D 2.047 in52.00 mm | 
| D (Diámetro interior del anillo interior) | N/D 1.378 in35.00 mm | 
| E (Bisel) | N/D 0.047 in1.20 mm | 
| F (Bisel) | N/D 0.031 in0.80 mm | 
| G (Ancho de la ranura) | N/D 0.315 in8.00 mm | 
| H (Profundidad de la ranura) | N/D 0.110 in0.11 mm | 
| Peso | N/D 0.792 lb0.360 kg | 
 
               
               
              