CAD (0)
  • El carro está vacío
Para enviar su información a Tsubaki, oprima este botón
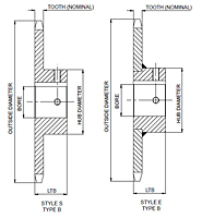
N.º 50, estilo B, diámetro interior acabado de 1,00"

Todas las dimensiones son valores nominales y solo deben tomarse como referencia
Unidad de medida

Especificaciones

Diámetro del cubo

N/D 3.000 in

LTB

N/D 1.000 in

Estilo

N/D B

Cant. de dientes

N/D 21

Diámetro interior terminado

N/D 1.000 in

Diámetro interior máx.

N/D 2.000 in

Peso

N/D 2.250 lb

Ancho nominal del diente

N/D 0.343 in

Dientes templados 

N/D

Industry Equivalent

N/D 50BS21 1

Código universal de producto (UPC)

N/D 097039328038

Datos técnicos de cadenas

Paso

N/D 0.625 in

Tamaño de la cadena

N/D 50

Diámetros de ruedas dentadas (sprockets)

Diámetro exterior

N/D 4.520 in

Diámetro de rueda dentada (sprocket) de paso

N/D 4.194 in

Diámetro del calibre

N/D 3.782 in