CAD (0)
                    
                    ▾
                
                
            
        Para enviar su información a Tsubaki, oprima este botón
    
		
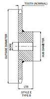
            N.º 40, estilo B, diámetro interior sin terminación de 0,750"
Todas las dimensiones son valores nominales y solo deben tomarse como referencia
Todas las dimensiones son valores nominales y solo deben tomarse como referencia
                    Unidad de medida
                    
               
        
            Especificaciones
| Diámetro interior en inventario | N/D 0.750 in | 
| Diámetro del cubo | N/D 3.500 in | 
| Longitud a través del diámetro interior (length through bore, LTB) | N/D 1.125 in | 
| Estilo | N/D B | 
| Cant. de dientes | N/D 59 | 
| Diámetro exterior | N/D 9.680 in | 
| Diámetro del paso | N/D 9.395 in | 
| Diámetro del calibre | N/D 9.078 in | 
| Diámetro interior máx.1 | N/D 2.375 in | 
| Peso | N/D 7.450 lb | 
| Ancho nominal del diente | N/D 0.284 in | 
- 1 Las dimensiones que se muestran tienen en cuenta un chavetero estándar con un tornillo de fijación a 90°
 
               
               
              