CAD (0)
▾
Para enviar su información a Tsubaki, oprima este botón
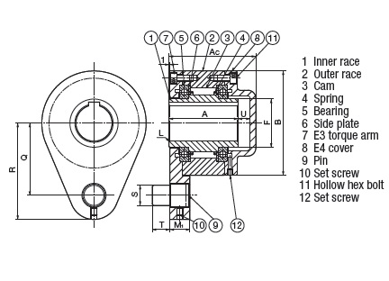
La serie MZEU es un embrague de leva de uso general adecuado para una amplia variedad de aplicaciones. Disponemos de una selección de bridas adicionales y brazos de torque, lo que permite que este embrague de leva se adapte fácilmente donde anteriormente se requerían productos de diseño a medida. Los modelos MZEU12 a MZEU80 están engrasados previamente y no requieren lubricación. Los modelos MZEU90 a MZEU150 requieren lubricación con aceite. Comuníquese con Tsubaki en caso de que sus aplicaciones de trinquete superen los 50 ciclos por minuto.
Unidad de medida
Especificaciones
Tamaño de diámetro interior |
N/D 0.984 in25.00 mm |
Capacidad de torque |
N/D 313.5 lb·ft425.0 N·m |
Torque de arrastre |
N/D 0.243 lb·ft0.33 N·m |
Chavetero del anillo interior |
N/D 8 mm × 3,3 mm |
A (Ancho total) |
N/D 2.362 in60.00 mm |
Ac |
N/D 2.992 in76.00 mm |
B (Altura total) |
N/D 3.543 in90.00 mm |
F |
N/D 1.575 in40.00 mm |
L |
N/D 0.031 in0.80 mm |
M1 |
N/D 0.748 in19.00 mm |
Q |
N/D 2.441 in62.00 mm |
R |
N/D 3.307 in84.00 mm |
S |
N/D 0.630 in16.00 mm |
T |
N/D 0.551 in14 mm |
U |
N/D 0.394 in10.00 mm |
Peso |
N/D 6.380 lb2.900 kg |
Sobremarcha máx. del eje |
N/D 1600 r. p. m. |
Sobremarcha máx. del anillo exterior |
N/D 600 r. p. m. |