CAD (0)
▾
Para enviar su información a Tsubaki, oprima este botón
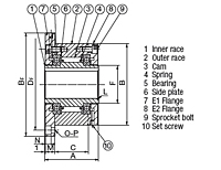
La serie MZEU es un embrague de leva de uso general adecuado para una amplia variedad de aplicaciones. Disponemos de una selección de bridas adicionales y brazos de torque, lo que permite que este embrague de leva se adapte fácilmente donde anteriormente se requerían productos de diseño a medida. Los modelos MZEU12 a MZEU80 están engrasados previamente y no requieren lubricación. Los modelos MZEU90 a MZEU150 requieren lubricación con aceite. Comuníquese con Tsubaki en caso de que sus aplicaciones de trinquete superen los 50 ciclos por minuto.
Unidad de medida
Especificaciones
Tamaño de diámetro interior |
N/D 5.118 in130.00 mm |
Capacidad de torque |
N/D 18070.2 lb·ft24500.0 N·m |
Torque de arrastre |
N/D 4.986 lb·ft6.76 N·m |
Chavetero del anillo interior |
N/D 32 mm × 7,4 mm |
A (Longitud total) |
N/D 8.346 in212.00 mm |
B (Diámetro del embrague) |
N/D 12.205 in310.00 mm |
BF (Diámetro general) |
N/D 14.961 in380.00 mm |
C (Ancho del embrague) |
N/D 5.984 in152.00 mm |
DF (Diámetro del círculo del perno) |
N/D 13.583 in345.00 mm |
F (Diámetro exterior del anillo interior) |
N/D 6.299 in160.00 mm |
L (Bisel) |
N/D 0.098 in2.50 mm |
M (Ancho de la brida) |
N/D 1.142 in29.00 mm |
N (Profundidad del avellanado cilíndrico) |
N/D 0.689 in17.50 mm |
O-P (Cantidad y orificio) |
N/D 12 mm - 18,0 mm |
Peso |
N/D 216.040 lb98.200 kg |
Sobremarcha máx. del eje |
N/D 320 r. p. m. |
Sobremarcha máx. del anillo exterior |
N/D 110 r. p. m. |