Para enviar su información a Tsubaki, oprima este botón
Excelente para condiciones de trabajo extremas, es especial con grava o partículas abrasivas.
Utiliza aceros de calidad superior en toda su extensión y tratamientos térmicos patentados y controlados con precisión.
Mejoras disponibles: Resistencia a la corrosión, Titan XL, SJ2 Tecnología de sellado
</>
PASADORES
BARRAS LATERALES
APLICACIONES TÍPICAS
Manipulación de material a granel
INDUSTRIAS HABITUALES
MINERALES INDUSTRIALES
MINERÍA
CEMENTO
GRANOS
FERTILIZANTES
PROCESAMIENTO DE AZÚCAR
Utiliza aceros de calidad superior en toda su extensión y tratamientos térmicos patentados y controlados con precisión.
Mejoras disponibles: Resistencia a la corrosión, Titan XL, SJ2 Tecnología de sellado

PASADORES
- Aleación o acero al carbono de calidad superior.
- Con tratamiento térmico para ofrecer una resistencia y dureza superior.
- Centro templado para ofrecer una resistencia superior al impacto.
- Superficie cementada o templada por inducción para ofrecer una mayor resistencia al desgaste.
- Fabricado con precisión para mantener un ajuste de alta interferencia con las barras laterales.
- Evita la rotación de los pasadores y el desgaste posterior de las barras laterales.
- Aleación o acero al carbono de calidad superior.
- Con tratamiento térmico para ofrecer una resistencia superior.
- Centro templado para ofrecer dureza y resistencia al impacto.
- Superficie cementada para ofrecer una resistencia al desgaste superior o extendida.
- Maquinados con precisión para mantener las superficies de apoyo lisas y un ajuste de alta interferencia con las barras laterales.
- Las tensiones residuales favorables resisten la fatiga y permiten lograr una mayor vida útil.
BARRAS LATERALES
- Aleación o acero al carbono de calidad superior.
- Con proceso de cementado para ofrecer mayor solidez, dureza y resistencia a la fatiga.
- Los procesos de fabricación patentados garantizan una calidad uniforme en los orificios y un control preciso del paso.
- Las tensiones residuales favorables resisten la fatiga y permiten lograr una mayor vida útil.
APLICACIONES TÍPICAS
Manipulación de material a granel
- Elevadores de cangilones
- Alimentadoras
- Transportadoras de arrastre
INDUSTRIAS HABITUALES
MINERALES INDUSTRIALES
MINERÍA
CEMENTO
GRANOS
FERTILIZANTES
PROCESAMIENTO DE AZÚCAR
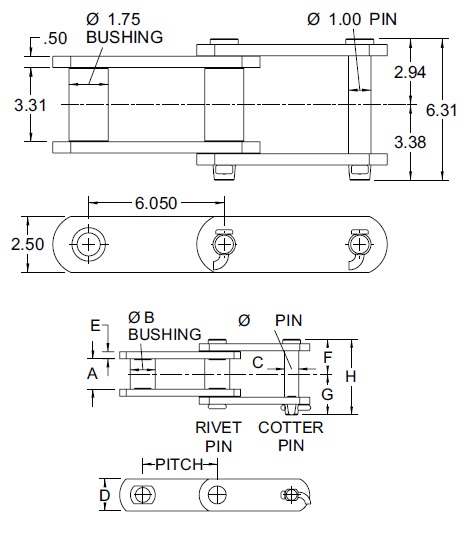
Cadena 150X - Común
Unidad de medida
Marca |
N/D Tsubaki |
Tipo de pasador |
N/D Con chaveta |
Paso |
N/D 6.050 in |
Ancho interior - A |
N/D 3.31 in |
Diámetro del rodillo - B |
N/D 1.75 in |
Diámetro del pasador - C |
N/D 1.00 in |
Altura de la barra lateral - D |
N/D 2.50 in |
Espesor de la barra lateral -E |
N/D 0.50 in |
Cabeza del pasador a CL - F |
N/D 2.94 in |
Extremo del pasador a CL - G |
N/D 3.37 in |
Ancho total - H |
N/D 6.31 in |
Carga operativa máx. |
N/D 15100 lb |
Peso |
N/D 16.75 lbs/ft |
Pasos por pie |
N/D 1.98 in |