MultiCAD Download (0)
▾
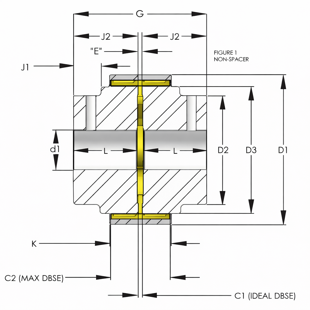
M-Series Non-Spacer Couplings
M-Series Flexible Couplings
The ATRA-FLEX® M-Series flexible couplings are
designed to accommodate a wide range of industrial
applications, offering a torque capacity up to 3,610,000
in-lbs and can handle shaft diameters up to 16 inches.
These couplings feature a unique twist-and-lock ring
that eliminates the need for fasteners or special tools,
facilitating easy installation and maintenance. The
rugged polyurethane insert effectively absorbs torsional
shock and vibration while accommodating angular,
parallel, and axial misalignment, thereby enhancing
equipment longevity. Additionally, the couplings operate
lubrication free, have no metal-to-metal contact and can
withstand temperatures ranging from -60°F to 350°F.
For applications requiring corrosion resistance, options
include stainless steel components or a cost-effective
nitrocarburized process known as OnyxShield™, as
an alternative.
- Unique twist-and-lock ring eliminates special tools or fasteners.
- No lubrication is required.
- Quick insert replacement, reducing maintenance cost and downtime.
- Large torque capacity up to 3,610,000 in-lbs for a wide range of industrial applications.
- Insert is the only wearing component with no metal-to-metal contact.
- Polyurethane inserts are available in a range of hardness to meet most torsional stiffness and torque requirements.
- Dampens torsional vibrations and absorbs shock loads.
- Standard inserts have a temperature range from -60° to 250° Fahrenheit with high temperature inserts available up to 350°F.
- OnyxShield™ couplings are available for enhanced corrosion and wear resistance.
Item # |
D1 |
G |
MAXIMUM BORE |
RSB |
C1 (IDEAL DBSE) |
Weight with RSB hubs |
Insert Type Standard |
|---|---|---|---|---|---|---|---|
| M00 | D1 N/A 2.260 in | G N/A 2.050 in | MAXIMUM BORE N/A 1.000 in | RSB N/A 0.250 in | C1 (IDEAL DBSE) N/A 0.120 in | Weight with RSB hubs N/A 0.75 lb | Insert Type Standard N/A Yellow |
| M0 | D1 N/A 2.940 in | G N/A 2.825 in | MAXIMUM BORE N/A 1.375 in | RSB N/A 0.300 in | C1 (IDEAL DBSE) N/A 0.175 in | Weight with RSB hubs N/A 2 lb | Insert Type Standard N/A Yellow |
| M1 | D1 N/A 3.960 in | G N/A 3.575 in | MAXIMUM BORE N/A 1.750 in | RSB N/A 0.430 in | C1 (IDEAL DBSE) N/A 0.175 in | Weight with RSB hubs N/A 4 lb | Insert Type Standard N/A Yellow |
| M1H | D1 N/A 4.270 in | G N/A 3.950 in | MAXIMUM BORE N/A 1.938 in | RSB N/A 0.410 in | C1 (IDEAL DBSE) N/A 0.175 in | Weight with RSB hubs N/A 5 lb | Insert Type Standard N/A Yellow |
| M2 | D1 N/A 4.700 in | G N/A 4.575 in | MAXIMUM BORE N/A 2.250 in | RSB N/A 0.410 in | C1 (IDEAL DBSE) N/A 0.175 in | Weight with RSB hubs N/A 10 lb | Insert Type Standard N/A Yellow |
| M3 | D1 N/A 5.730 in | G N/A 5.075 in | MAXIMUM BORE N/A 2.500 in | RSB N/A 0.625 in | C1 (IDEAL DBSE) N/A 0.175 in | Weight with RSB hubs N/A 19 lb | Insert Type Standard N/A Yellow |
| M4 | D1 N/A 7.600 in | G N/A 6.700 in | MAXIMUM BORE N/A 3.375 in | RSB N/A 0.940 in | C1 (IDEAL DBSE) N/A 0.300 in | Weight with RSB hubs N/A 36 lb | Insert Type Standard N/A Yellow |
| M5 | D1 N/A 9.700 in | G N/A 9.200 in | MAXIMUM BORE N/A 4.500 in | RSB N/A 1.000 in | C1 (IDEAL DBSE) N/A 0.320 in | Weight with RSB hubs N/A 72 lb | Insert Type Standard N/A Yellow |
| M6 | D1 N/A 11.800 in | G N/A 11.200 in | MAXIMUM BORE N/A 5.500 in | RSB N/A 1.500 in | C1 (IDEAL DBSE) N/A 0.320 in | Weight with RSB hubs N/A 125 lb | Insert Type Standard N/A Yellow |
| M7 | D1 N/A 13.600 in | G N/A 12.200 in | MAXIMUM BORE N/A 6.000 in | RSB N/A 1.750 in | C1 (IDEAL DBSE) N/A 0.320 in | Weight with RSB hubs N/A 190 lb | Insert Type Standard N/A Yellow |
| M8 | D1 N/A 15.850 in | G N/A 14.700 in | MAXIMUM BORE N/A 7.250 in | RSB N/A 2.400 in | C1 (IDEAL DBSE) N/A 0.320 in | Weight with RSB hubs N/A 320 lb | Insert Type Standard N/A Yellow |
| M9 | D1 N/A 17.860 in | G N/A 18.200 in | MAXIMUM BORE N/A 9.000 in | RSB N/A 2.900 in | C1 (IDEAL DBSE) N/A 0.320 in | Weight with RSB hubs N/A 475 lb | Insert Type Standard N/A Yellow |
| M10 | D1 N/A 19.875 in | G N/A 20.250 in | MAXIMUM BORE N/A 10.000 in | RSB N/A 3.750 in | C1 (IDEAL DBSE) N/A 0.320 in | Weight with RSB hubs N/A 964 lb | Insert Type Standard N/A Yellow |
| M12 | D1 N/A 27.350 in | G N/A 23.250 in | MAXIMUM BORE N/A 13.250 in | RSB N/A 4.000 in | C1 (IDEAL DBSE) N/A 0.370 in | Weight with RSB hubs N/A 1200 lb | Insert Type Standard N/A Yellow |
| M13 | D1 N/A 35.050 in | G N/A 22.300 in | MAXIMUM BORE N/A 16.000 in | RSB N/A 7.000 in | C1 (IDEAL DBSE) N/A 0.500 in | Weight with RSB hubs N/A 1500 lb | Insert Type Standard N/A Yellow |

