CAD (0)
▾
859 Corrente - Simples
859 Corrente
Excelente para condições de trabalho rigorosas, especialmente aquelas com partículas abrasivas ou areia.
Utiliza aço premium em toda a sua extensão e tratamentos térmicos patenteados e controlados com precisão.
Tecnologias disponíveis: Resistência à corrosão, Titan XL, Tecnologia de vedação SJ2
</>
PINOS
PLACAS LATERAIS
APLICAÇÕES TÍPICAS
Manuseio de materiais a granel
SETORES COMUNS
MINERAIS INDUSTRIAIS
MINERAÇÃO
CIMENTO
GRÃO
FERTILIZANTE
PROCESSAMENTO DE AÇÚCAR
Utiliza aço premium em toda a sua extensão e tratamentos térmicos patenteados e controlados com precisão.
Tecnologias disponíveis: Resistência à corrosão, Titan XL, Tecnologia de vedação SJ2
</>
PINOS
- Aço-carbono de liga ou premium.
- Tratado termicamente para robustez e resistência superiores.
- Núcleo – Totalmente cementado para uma resistência a impacto superior.
- Superfície – Caixa ou cementada por indução para resistência a desgaste estendida.
- Fabricado com precisão para manter o encaixe de alta interferência com as placas laterais.
- Impede a rotação do pino e o desgaste subsequente da placa lateral.
- Aço-carbono de liga ou premium.
- Tratadas termicamente para resistência superior.
- Núcleo – Totalmente cementado para dureza/resistência a impacto.
- Superfície – Caixa cementada para uma resistência a resgate estendida e superior.
- Usinadas com precisão para manter superfícies de rolamento lisas e encaixe de alta interferência com as placas laterais.
- Tensões residuais favoráveis resistem à fadiga e permitem maior vida útil.
PLACAS LATERAIS
- Aço-carbono de liga ou premium.
- Totalmente cementado para robustez e resistência a fadiga superiores.
- Processos de fabricação patenteados garantem qualidade consistente dos furos e controle de passo preciso.
- Tensões residuais favoráveis resistem à fadiga e permitem maior vida útil.
APLICAÇÕES TÍPICAS
Manuseio de materiais a granel
- Elevadores de caneca
- Alimentadores
- Transportadores de arrasto
SETORES COMUNS
MINERAIS INDUSTRIAIS
MINERAÇÃO
CIMENTO
GRÃO
FERTILIZANTE
PROCESSAMENTO DE AÇÚCAR
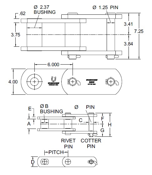
Nº. do item |
Marca |
Tipo de pino |
Passo |
Carga de trabalho máxima |
Peso |
Passos por pé |
|---|---|---|---|---|---|---|
| 27031 | Marca N/A Tsubaki | Tipo de pino N/A Com contrapino | Passo N/A 6,000 pol. | Carga de trabalho máxima N/A 21800 lb | Peso N/A 36.5 lb/pé | Passos por pé N/A 2,00 pol. |
| 27032 | Marca N/A Tsubaki Titan XL | Tipo de pino N/A Com contrapino | Passo N/A 6,000 pol. | Carga de trabalho máxima N/A 21800 lb | Peso N/A 36.5 lb/pé | Passos por pé N/A 2,00 pol. |

