CAD (0)
▾
Para enviar suas informações para a Tsubaki, pressione este botão
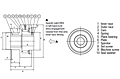
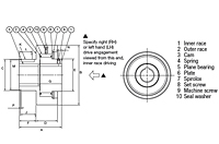
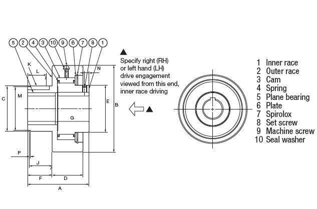
A embreagem com came da série PBUS é para uso geral em aplicações de giro livre ou indexação. A série PBUS vem pré-lubrificada com graxa sintética para facilitar a instalação e permitir uma longa vida útil. O anel externo tem provisões para montar engrenagens, polias e rodas dentadas. Especifique o sentido de rotação ao fazer o pedido.
Unidade de medida
Especificações
Código UPC |
N/A 097039256973 |
Tamanho do orifício |
N/A 1.181 pol. |
Capacidade de torque |
N/A 621.8 lb·pé843.0 N·m |
Torque de arrasto |
N/A 0.288 lb·pé0.39 N·m |
Indexação máx. |
N/A 150 cpm |
Rotação |
N/A Rotação à direita |
Ranhura de chaveta |
N/A 8 x 3,8 mm |
A (Largura total) |
N/A 3.500 pol.88.90 mm |
B (Diâmetro total) |
N/A 3.750 pol.95.25 mm |
C (Diâmetro do cubo) |
N/A 2.250/2.249 pol.57.15/57.13 mm |
D (DE do anel externo) |
N/A 1.750 pol.44.45 mm |
E (DE da embreagem) |
N/A 2.205 pol.56.00 mm |
F (Comprimento do cubo) |
N/A 1.440 pol.36.58 mm |
G (Comprimento da embreagem) |
N/A 1.812 pol.46.02 mm |
J (Posição do sulco) |
N/A 1.34 pol.34.04 mm |
M (DI do sulco) |
N/A 2.182 pol.55.42 mm |
P (Largura do sulco) |
N/A 0.056 pol.1.42 mm |
L (Comprimento da chave externa) |
N/A 0.937 pol.23.80 mm |
K (Dimensões da chave externa) |
N/A 0.313 x 0.156 pol.7.94 x 3.96 mm |
N (Localização do parafuso de fixação) |
N/A 0.200 pol.5.10 mm |
Bujão de enchimento de lubrificação |
N/A M6 x P1.0 |
Parafuso de fixação |
N/A 1/4-28 x 1/4 |
Peso |
N/A 2.50 kg5.511 lb |
Avanço máximo do anel interno |
N/A 1000 rpm |
Avanço máximo do anel externo |
N/A 400 rpm |