CAD (0)
▾
Para enviar suas informações para a Tsubaki, pressione este botão
A Tsubaki tem o prazer de oferecer um portfólio líder do mercado de correntes de transmissão de classe de engenharia. Essa coleção exclusiva e abrangente de designs premium foi aprimorada e aperfeiçoada continuamente ao longo do último século.
Fabricado em Sandusky, Ohio, desde 1917, esse produto fundamental é amplamente reconhecido no mundo por sua mão de obra e qualidade superior. Quando o assunto é transferência eficiente de potência, a corrente de transmissão da Tsubaki é excelente.
PINOS
ASFALTO
MINERAÇÃO
CIMENTO
MINERAIS INDUSTRIAIS
ÓLEO E GÁS
FABRICAÇÃO GERAL
SILVICULTURA, CELULOSE, PAPEL
Fabricado em Sandusky, Ohio, desde 1917, esse produto fundamental é amplamente reconhecido no mundo por sua mão de obra e qualidade superior. Quando o assunto é transferência eficiente de potência, a corrente de transmissão da Tsubaki é excelente.
PINOS
- Aço-liga premium.
- Tratado termicamente para robustez e resistência superiores.
- Núcleo – Totalmente cementado para uma resistência a impacto superior.
- Superfície – Cementada por indução para uma resistência a desgaste estendida.
- Fabricado com precisão para manter o encaixe de alta interferência com as placas laterais.
- Impede a rotação do pino e o desgaste subsequente da placa lateral.
- Aço-liga premium.
- Tratadas termicamente para resistência superior.
- Superfície – Caixa cementada para uma resistência a resgate estendida e superior.
- Fabricada com precisão para manter as superfícies do rolamento lisas e o encaixe de alta interferência com as placas laterais.
- Tensões residuais favoráveis resistem à fadiga e permitem maior vida útil.
- Aço-liga premium.
- Tratado termicamente para robustez e resistência a fadiga superiores.
- Processos de fabricação patenteados garantem qualidade consistente dos furos e controle de passo preciso.
- Aço-liga premium.
- Totalmente cementado para robustez e resistência superiores, além da capacidade de suportar altas cargas de choque.
- Acionamentos mecânicos
- Acionamentos por tambor
- Bancada de estirar
- Acionamentos de guindaste de esteiras
ASFALTO
MINERAÇÃO
CIMENTO
MINERAIS INDUSTRIAIS
ÓLEO E GÁS
FABRICAÇÃO GERAL
SILVICULTURA, CELULOSE, PAPEL
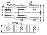
Unidade de medida
Número da corrente |
N/A 1184RX |
Estilo da placa lateral |
N/A 1 |
Passo |
N/A 2,640 pol. |
Peso por passo |
N/A 1.1 lb |
Comprimento máximo de linha contínua disponível |
N/A 456 Passos |
Largura interna - A |
N/A 1,06 pol. |
Diâmetro do rolo - B |
N/A 1,13 pol. |
Diâmetro do pino - C |
N/A 0,50 pol. |
Altura da placa lateral - D |
N/A 1,50 pol. |
Espessura da placa lateral - E |
N/A 0,25 pol. |
Cabeça de pino à linha central - F |
N/A 1,22 pol. |
Extremidade do pino à linha central - G |
N/A 1,44 pol. |
Largura geral - H |
N/A 2,63 pol. |
Resistência média final |
N/A 40000 lb |
Carga de trabalho máxima |
N/A 2700 lb |