CAD (0)
▾
Para enviar suas informações para a Tsubaki, pressione este botão
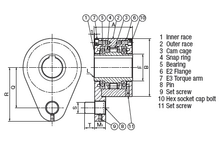
A embreagem com came da série BREU é comumente usada em aplicações de contrarrecuo que exigem maior velocidade de giro livre do anel interno e capacidade baixa a média de velocidade de engate. A embreagem com came da série BREU é popular entre OEMs e usuários finais, utilizando uma ampla variedade de acessórios de montagem e a capacidade de selecionar posições de rasgo de chaveta no anel externo e interno, a fim de oferecer flexibilidade de montagem. A série BREU incorpora um came com estilo "lift-off" que aumenta a vida útil da embreagem com came. Veja mais detalhes na página 8. A embreagem com came da série BREU é fornecida pré-lubrificada com graxa.
Unidade de medida
Especificações
Rasgo de chaveta do anel interno |
N/A 36 x 8,4 mm |
Capacidade de torque |
N/A 25009.2 lb·pé33908.0 N·m |
Engate máx. |
N/A 180 rpm |
A (Largura total) |
N/A 9.685 pol.246.00 mm |
B (Altura total) |
N/A 15.748 pol.400.00 mm |
C (Largura da embreagem) |
N/A 7.087 pol.180.00 mm |
D (Diâmetro do círculo para fixação) |
N/A 14.173 pol.360.00 mm |
E (DI do anel externo) |
N/A 12.205 pol.310.00 mm |
F (DE do anel interno) |
N/A 7.874 pol.200.00 mm |
G (Largura da caixa do came) |
N/A 7.638 pol.194.00 mm |
K (Profundidade da rosca) |
N/A 1.260 pol.32.00 mm |
L (Chanfro) |
N/A 0.098 pol.2.50 mm |
M1 |
N/A 2.362 pol.60.00 mm |
Q |
N/A 10.039 pol.255.00 mm |
R |
N/A 12.795 pol.325.00 mm |
S |
N/A 2.677 pol.68.00 mm |
T |
N/A 2.165 pol.55.00 mm |
Peso |
N/A 418.000 lb190.000 kg |
Avanço mínimo do anel interno |
N/A 370 rpm |
Avanço máximo do anel interno |
N/A 1300 rpm |