Para enviar suas informações para a Tsubaki, pressione este botão
Tsubaki’s new BS-F Series backstops are designed for simple, drop-in installation to all major competitive external, low-speed backstop products. These backstops use a
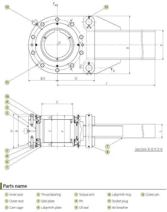
unique labyrinth seal design for maximum life with minimal maintenance.
With Tsubaki’s innovative design features, our backstops ensure efficient and dependable operation in the harshest environments.
TYPICAL APPLICATIONS
COMMON INDUSTRIES
MINING
POWER GENERATING PLANTS
CEMENT
PORTS
INNOVATIVE FEATURES:
NON-ROLLOVER CAM
>
SPECIAL LABYRINTH SEAL
>
Superior Performance in the Harshest Environments
GREASE LUBRICATION
>
DROP IN DESIGN
>
3 STEP
EASY CONNECTION
Step 1: Insert I-beam torque arm into clutch
Step 2: Insert lock pins through flange plate and secure torque arm
Step 3: Insert retaining pins into lock pins
>
TYPICAL APPLICATIONS
- Mining (Coal, Copper, Potash) - used in inclined conveyors and bucket elevators for transporting raw materials.
- Power Generating Plants - used in inclined conveyors to transfer coal from the stockpile to the boiler rooms.
- Cement Plants - used in bucket elevators and inclined conveyors for moving limestone and clay to crushers and silos.
COMMON INDUSTRIES
MINING
POWER GENERATING PLANTS
CEMENT
PORTS
INNOVATIVE FEATURES:
NON-ROLLOVER CAM
- Provides higher torque ratings than the leading competitors due to the larger profile and greater contact area.
- Improves performance and prevents costly and potentially dangerous rollover.

SPECIAL LABYRINTH SEAL
- New seal design prevents the ingress of dust and other contaminants typically found in mining and cement plants, which extends the life of the lubricant.
- Minimizes heat generation and provides trouble-free service with minimal scheduled maintenance.

Superior Performance in the Harshest Environments
GREASE LUBRICATION
- Offers synthetic grease lubrication in a sealed backstop design.
- Breather element is eliminated.
- No need to monitor oil levels, refill the backstop or worry about moisture in the lubricant.
- Provides trouble-free performance with minimized maintenance requirements.

DROP IN DESIGN
- Tsubaki offers the narrowest backstop with an I-beam torque arm.
- Quick and easy field replacement. Drop in compatible with most competitive products.

3 STEP
EASY CONNECTION
Step 1: Insert I-beam torque arm into clutch
Step 2: Insert lock pins through flange plate and secure torque arm
Step 3: Insert retaining pins into lock pins

Unidade de medida
Especificações
Intervalo de orifício – máx. |
N/A 3.350 pol.85.00 mm |
Intervalo de orifício – mín. |
N/A 2.360 pol.60.00 mm |
Torque Capacity |
N/A 4980 lb·pé6760 N·m |
Velocidade máxima de avanço do anel interno |
N/A 300 rpm |
Torque de arrasto |
N/A 6.000 lb·pé8.00 N·m |
A – Largura do contrarrecuo |
N/A 4.210 pol.107.00 mm |
B – Comprimento total |
N/A 8.270 pol.210.00 mm |
C – Largura interna |
N/A 4.13 pol.105.00 mm |
D – Linha central do contrarrecuo até a borda do flange |
N/A 5.940 pol.151.00 mm |
E – Diâmetro interno do escareamento |
N/A 4.170 pol.106.00 mm |
F – Largura total do anel interno |
N/A 4.720 pol.120.00 mm |
G – Profundidade do escareamento |
N/A 0.300 pol.7.50 mm |
H – Largura total do contrarrecuo |
N/A 5.000 pol.127.00 mm |
J – Distância da linha central do contrarrecuo à borda da viga I |
N/A 32.010 pol.813.00 mm |
K – Altura do braço de torque |
N/A 2.990 pol.76.00 mm |
L – Largura do braço de torque |
N/A 2.520 pol.64.00 mm |
Quantidade de graxa |
N/A 0.140 lb0.065 kg |
Peso – com braço de torque – orifício mínimo |
N/A 94.600 lb43.000 kg |
Peso – com braço de torque – orifício máximo |
N/A 88.000 lb40.000 kg |
Peso – sem braço de torque – orifício mínimo |
N/A 68.200 lb31.000 kg |
Peso – sem braço de torque – máx. Orifício |
N/A 61.600 lb28.000 kg |